1余壓監控設備規劃的必要性
機械加壓送風設備中為什么要規劃旁通閥操控加壓送風的正壓值?火災產生后,又能起到什么效果呢?
眾所周知,產生火災時,絕大多數的人員傷亡不是因為火,而是煙氣,跟著可燃物的焚燒產生很多的高溫煙氣,煙氣中含有很多未徹底焚燒的有毒、有害物質,通過人的呼吸道吸入體內,對人員的生命安全形成嚴重威脅。
為了有用操控火勢延伸、阻撓煙氣擴散。加壓送風設備的送風口出風可使樓梯間及消防前室構成正壓,阻撓有害煙氣進入人的分散通道。可是當加壓送風設備送風量及送風時間不可控時,正常的逃生路線有可能會因為前室正壓過大,防火門無法敞開而形成的嚴重后果。鑒于上述考慮,公安部四川消防科學研究所結合世界經歷提出余壓值的數據。壓差操控設備可通過操控旁通閥的開閉,將機械加壓送風設備的余壓值有用操控在國標要求的合理范圍內——防煙樓梯間40-50Pa,前室、合用前室、消防電梯間前室、關閉流亡層(間)為25-30Pa。這樣既阻撓了有害煙氣的進入,也確保了防火門在需求人員分散時能夠正常開閉。
該設備契合GB51251《修建防煙排煙設備技術標準》及GB50016《修建規劃防火標準》等相關國家標準中的功用需求。
余壓監控2的使用背景
2.1修建產生火災時,得確保防煙樓梯間、流亡走道及其前室的防煙功用要求。
2.2從防煙角度講,機械加壓送風設備的余壓過低晦氣于防煙,因此余壓越高越好。
2.3因為分散門的方向是朝分散方向敞開,而加壓送風效果方向與分散方向恰好相反,若余壓過高則會導致分散門兩邊壓差過大導致門無法正常敞開的情況,影響人員分散和消防人員施救。
2.4加壓送風設備的規劃,首先應建立在安全分散的基礎上。
2.5現在加壓送風設備本身,沒有能力來判斷加壓區是否堅持必定壓力,或加壓區走漏過大,壓力達不到標準,起不到防煙效果,或因壓力過大而形成分散門堵塞的情況。
2.6規劃安裝余壓監控設備,可有用處理分散門兩邊壓差過大而導致門無法正常敞開的毛病,確保了分散通道的安全疏通,使加壓送風設備處于合理、有用的作業狀況,從而為在火災情況下人員的分散和營救供給有力的保障。
3余壓監控設備規劃根據
加壓送風作為一種行之有用的防煙方法,在國內外高層修建規劃中已被廣泛接受與選用。不管國內或國外的防火標準,都有一致的加壓要求,即應使在火災時,樓梯間余壓值(40-50Pa)>前室余壓值(25-30Pa)>走廊。
火災產生時,加壓送風設備的送風口出風可使樓梯間及消防前室相對走道構成加壓,阻撓有害煙氣進入人的分散通道,確保防火門正常敞開,為火災產生時人員的安全撤離保駕護航。但送風口長時間敞開可使防火門兩頭壓差過大,無法正常敞開,導致人員無法撤離的嚴重后果,結合國內外優異經歷國家對正壓送風設備做了如下要求:
※GB50016-2014《修建規劃防火標準》
8.5.1修建的下列場所或部位應設置防煙設備:
1)防煙樓梯間及前室;
2)消防電梯間前室或合用前室;
3)流亡走道的前室、流亡層(間)。
※GB51251-2017《修建防煙排煙設備技術標準》
3.4.4機械加壓送風量應滿意走廊至前室樓梯間的壓力呈遞加散布,余壓值應契合下列規則:
1)前室、關閉流亡層(間)與走道之間的壓差應為25Pa-30Pa;
2)樓梯間與走道之間額壓差應為40Pa-50Pa;
3)當設備余壓值超越允許壓力差時應采納泄壓辦法。
5.1.4機械加壓送風設備宜設有測壓設備及風壓調理辦法。
5.1.5消防操控設備應顯現防煙設備的送風機、閥門等設備的啟閉狀況。
※GB50016-2006《修建規劃防火標準》(以下詳細設備規劃條款仍執行)
9.3.3防煙樓梯間內機械加壓送風防煙設備的余壓值應為40-50Pa;前室、合用前室應為25-30Pa。
※GB500045-95《高層民用修建規劃防火標準》(2005年版)(以下詳細設備規劃條款仍執行)
8.3.7機械加壓送風機的全壓,除計算晦氣環管道丫頭丟失外,尚應有余壓。其余壓值應契合下列要求:
8.3.7.1防煙樓梯間為40Pa-50Pa;
8.3.7.2前室、合用前室、消防電梯間前室、關閉流亡層(間)為25Pa-30Pa。
※GB50098-2009《人民防空工程規劃防火標準》
6.2.1防煙樓梯間送風余壓值應為(40-50)Pa,前室或合用前室送風設備的余壓值應為(25-30)Pa;
6.2.2流亡走道的前室送風余壓值應為(25-30)Pa。
※全國民用修建工程規劃技術辦法
4.10.10加壓送風設備的余壓值超越規則數值較多時,宜設置泄壓閥或旁通閥等設備。
※DGJ08-88-2006《修建防排煙技術規程》(上海)
3.3.6當設備的余壓超越壓力差時,應設置余壓調理閥或選用變速風機等辦法。
4余壓監控設備簡介
針對各類機械加壓送風設備的使用特色,余壓監控設備,是集工業計算機技術、通訊、抗電磁干擾、數字傳感技術及消防二總線于一體的智能化設備。選用高靈敏度壓力信號傳感器,24小時實時自動巡檢并采集監控區域壓力改變等作業狀況,對超壓毛病宣布報警信號并記載,當防煙樓梯間或前室余壓值達到超壓監控值時,余壓探測器宣布報警信號,余壓操控器翻開加壓風機風管上的旁通閥泄壓;余壓回落到正常區間值后,余壓探測器宣布信號,余壓操控器關閉旁通閥,通過操控旁通閥的敞開,來堅持余壓值穩定在標準要求的區間值內,設備具有實時性、數字化、智能化,自動化連續監控的特色。
余壓監控設備由余壓監控器(主機)、余壓操控器、余壓探測器、風閥執行器、設備監控專用軟件等部分或全部設備組成滿意并高于GB51251《修建防煙排煙設備技術標準》、GB50016《修建規劃防火標準》和GB50098《人民防空工程規劃防火標準》等相關國家標準中的功用需求。
05余壓監控設備結構
設計說明:
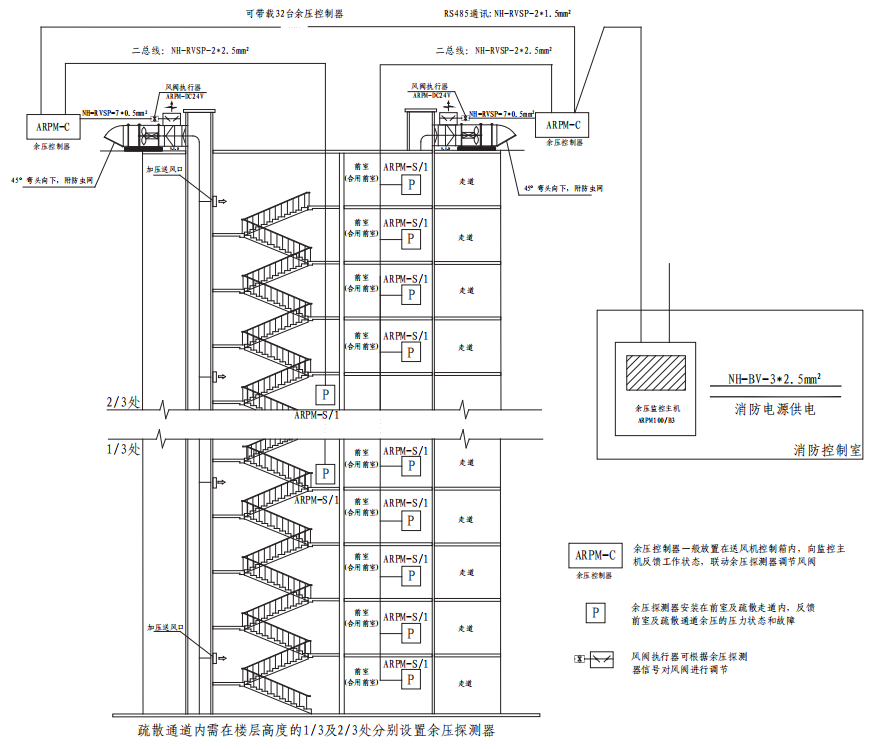
①余壓監控器(主機)與余壓控制器之間是485通訊,銜接方式為手拉手銜接,線型NH-RVSP-2*1.5mm2,通訊間隔為500米;
②主機支撐2路RS485通訊回路,每條回路可銜接32個余壓控制器;
③余壓控制器與余壓探測器之間為二總線通訊,通訊間隔500m,線型NH-RVSP-2*2.5mm2;
④一只余壓控制器可帶120個余壓探測器。
06產品選型
07應用圖例
7.1疏散通道余壓監控設備圖
疏散通道及前室余壓監控設備圖
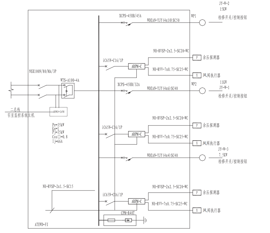
7.2監控設備配電圖
7.3探測器平面圖
余壓探測器平面示意圖
注∶
1.前室每層均設余壓探測器;
2.樓梯間在約1/4和3/4高度處各設置一臺余壓探測器;
3.引壓用的氣管可根據現場實際情況裝于墻面或吸頂安裝均可;
4.余壓深測器通過N-IYSP-2x2.5m2-SC20-C,沿樓板垂直敷設至風間控制箱。
7.4探測器立面安裝示意圖
